
詳情

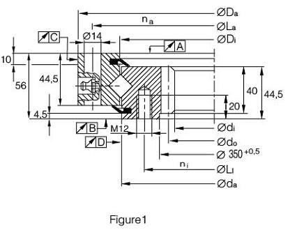
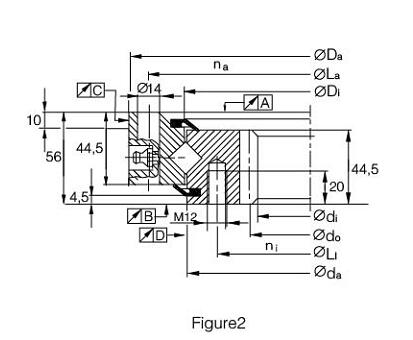
XSI交叉滾子轉盤軸承型號參數表
| 基本型號 | XSI系列(輕系列,內齒型)安裝尺寸(mm) | (旋轉精度) | 重量 | ||||||||||
| Da | di | Di | da | La | Li | ni | na | A | B | C | D | kg | |
| XSI140414N | 484 | 325 | 415 | 411 | 460 | 375 | 24 | 24 | 0.04 | 0.04 | 0.06 | 0.06 | 31 |
| XSI140544N | 614 | 444 | 545 | 541 | 590 | 505 | 32 | 32 | 0.04 | 0.04 | 0.07 | 0.07 | 43 |
| XSI140644N | 714 | 546 | 645 | 641 | 690 | 605 | 36 | 36 | 0.05 | 0.05 | 0.08 | 0.08 | 50 |
| XSI140744N | 814 | 648 | 745 | 741 | 790 | 705 | 40 | 40 | 0.05 | 0.05 | 0.09 | 0.08 | 58 |
| XSI140844N | 914 | 738 | 845 | 841 | 890 | 805 | 40 | 40 | 0.06 | 0.06 | 0.09 | 0.09 | 69 |
| XSI140944N | 1014 | 840 | 945 | 941 | 990 | 905 | 44 | 44 | 0.06 | 0.06 | 0.11 | 0.09 | 76 |
| XSI141094N | 1164 | 984 | 1095 | 1091 | 1140 | 1055 | 48 | 48 | 0.07 | 0.07 | 0.11 | 0.11 | 91 |
- 上一篇:暫無記錄
- 下一篇:暫無記錄
推薦產品
在線留言
聯系電話:13698854768


